Предупреждение Для обеспечения высокого уровня обслуживания на этом сайте используются куки (cookies). Продолжая его использование, вы соглашаетесь с тем, что куки (cookies) будут сохраняться на вашем компьютере: Принять

Фильтр сетчатый фланцевый Tecofi F 3240N Ду150 Ру16 из чугуна

F3240N-0150
Tecofi F 3240N, DN150 (6"), 1,6 МПа, L480мм, Т=+300°С (180°C для насыщенного пара), фланцевый, Франция "TECOFI SAS"
47 132.00 
В наличии
+

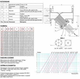
Фильтр Tecofi F 3240N DN150 PN16 применяется на трубопроводах холодного и горячего водоснабжения, водоотведения, водоочистки, холодоснабжения (антифриз, этиленгликоль и пропиленгликоль), пара и других жидкостей, не агрессивных к материалам изделия для фильтрации различных типов сред от посторонних механических включений, размер которых превышает размер ячеек фильтрующей сетки.

Особенности конструкции У(Y)-образного фильтра фланцевого Tecofi F 3240N-0150:

  • Сетка из нержавеющей стали;
  • Эпоксидное покрытие корпуса из чугуна;
  • Очистка загрязнений за счет дренажной пробки;
  • Установка на горизонтальных и вертикальных трубопроводах.
Наименование, марка:
Tecofi F 3240N
Диаметр условного прохода, мм:
DN150 (6")
Максимальное рабочее давление:
1,6 МПа
Материал (основной):
чугун ковкий EN-GJS-400
Материал сетки:
сталь нержавеющая AISI 304 X5CrNi 18-10
Магнитная вставка (наличие):
нет
Монтажная длина:
L480мм
Температура рабочей среды:
Т=+300°С (180°C для насыщенного пара)
Присоединение:
фланцевый
Производитель, Бренд:
Франция "TECOFI SAS"
Масса (вес) :
41,7 кг

Декларация о соответствии фильтры Tecofi до 04.03.2025 (Декларация_о_соответствии_фильтры_Tecofi_до_04.03.2025.pdf, 407 Kb) [Скачать]

За ту же цену!

Benarmo 3050 Ду350
BEN3050-350
46 085.00 
Benarmo 3051 Ду300
BEN3051-300
45 560.00 
Benarmo FCV Ду300 Ру25
BENFCV-300-25
47 019.00