Предупреждение Для обеспечения высокого уровня обслуживания на этом сайте используются куки (cookies). Продолжая его использование, вы соглашаетесь с тем, что куки (cookies) будут сохраняться на вашем компьютере: Принять

Клапан обратный чугунный подъемный Benarmo 3070 Ду100 Ру16 фланцевый

BEN3070-100
Клапан обратный Benarmo, подъёмный, DN100 (4"), 1,6 МПа, L350мм, Т= -10...+300°С, фланцевый, класс В по ГОСТ 9544-2015, Китай Benarmo
20 526.00 
Задать вопрос
Вес: 35.000 кг
Нет в наличии

Клапан обратный подъёмный фланцевый Benarmo 3070 Ду100 Ру16 предназначен для предотвращения обратного потока рабочей среды в трубопроводах.

Рабочая среда – вода, воздух, пар и среды, не агрессивные к материалам деталей изделия.

Обратный подъёмный клапан Benarmo 3070 Ду100 Ру16 не предназначен для использования в качестве запорной арматуры.

Рабочее положение обратного подъёмного клапана на горизонтальном трубопроводе - крышкой вверх, на вертикальном трубопроводе входным патрубком вниз. Направление потока среды должно быть под затвор (по направлению стрелки на корпусе).

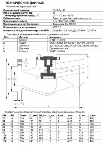
Наименование, марка:
Клапан обратный Benarmo
Конструкция:
подъёмный
Диаметр условного прохода, мм:
DN100 (4")
Максимальное рабочее давление:
1,6 МПа
Материал (основной):
чугун высокопрочный GGG40
Монтажная длина:
L350мм
Температура рабочей среды:
Т= -10...+300°С
Присоединение:
фланцевый
Монтажное положение
:
H - горизонтальное, V - вертикальное
Класс герметичности
:
класс В по ГОСТ 9544-2015
Производитель, Бренд:
Китай Benarmo
Масса (вес) :
35 кг

Декларация о соответствии ТР ТС 032_2013 клапаны обратные подъемные Benarmo до 22.05.2028 (Декларация_о_соответствии_ТР_ТС_032_2013_клапаны_обратные_подъемные_Benarmo_до_22.05.2028.pdf, 282 Kb) [Скачать]