Предупреждение Для обеспечения высокого уровня обслуживания на этом сайте используются куки (cookies). Продолжая его использование, вы соглашаетесь с тем, что куки (cookies) будут сохраняться на вашем компьютере: Принять

Клапан (вентиль) запорный сильфонный FAF 2130 DN32 PN16 из чугуна фланцевый

2130032
FAF 2130, с сильфонным уплотнением, DN 32 (1 1/4"), 1,6 МПа, L180мм, Т= до +250°С, фланцевый, класс А , штурвал, Турция "FAF VANA SANAYI VE TICARET A.S."
19 933.00 
Задать вопрос
Вес: 8.400 кг
В наличии
+

Клапан (вентиль) запорный с сильфонным уплотнением FAF 2130 DN32 PN16 предназначен для установки в качестве запорного устройства на трубопроводы холодной и горячей воды, пара, жидкостей и газов, неагрессивных к материалу корпуса и уплотнений.

Особенности конструкции клапана чугунного сильфонного FAF 2130 DN32 PN16:

Сильфонное уплотнение - это гофрированная оболочка из прочной стали, обеспечивающая герметичность при физических, термических и химических воздействиях. Оно устойчиво к механическим повреждениям, гидроударам и агрессивным средам, что делает его надежным в различных условиях эксплуатации. Обеспечивает 100 % герметичность и высокую надежность, исключая утечки рабочей среды. Не требует обслуживания долгое время, гарантирует безопасность и плавное открытие без гидравлических ударов. Простота монтажа и компактность делают его удобным для различных установок.

Стандартная версия: с маховиком.

Наименование, марка:
FAF 2130
Конструкция:
с сильфонным уплотнением
Диаметр условного прохода, мм:
DN 32 (1 1/4")
Максимальное рабочее давление:
1,6 МПа
Материал (основной):
чугун высокопрочный GGG40
Материал штока:
сталь нержавеющая 1.4021-AISI 420
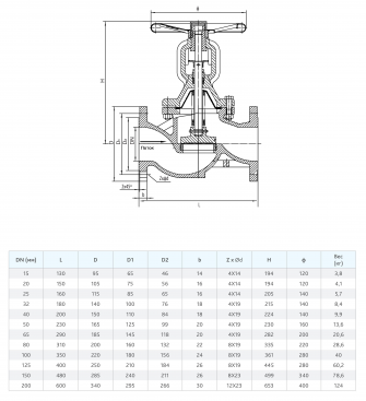
Монтажная длина:
L180мм
Температура рабочей среды:
Т= до +250°С
Присоединение:
фланцевый
Монтажное положение
:
H - горизонтальное, V - вертикальное
Класс герметичности
:
класс А
Управление:
штурвал
Производитель, Бренд:
Турция "FAF VANA SANAYI VE TICARET A.S."
Масса (вес) :
8,4 кг

Декларация о соответствии ТР ТС 032_2013 на продукцию FAF до 18.01.2027 (Декларация_о_соответствии_ТР_ТС_032_2013_на_продукцию_FAF_до_18.01.2027.pdf, 1,674 Kb) [Скачать]

За ту же цену!

Benarmo 3050 Ду250
BEN3050-250
20 484.00 
FAF 2290 Ду 80 Ру16
2290080
20 328.00 
FAF 2300 NBR Ду100
2300100
19 140.00